24小時咨詢(xun)熱線: 0312-*******-130********
歡(huan)迎您訪問 保(bao)定市潍坊鼎高模具制造有限公司官網!才三🚩根手指头就不行啦㊙️
24小時咨詢(xun)熱線: 0312-*******-130********
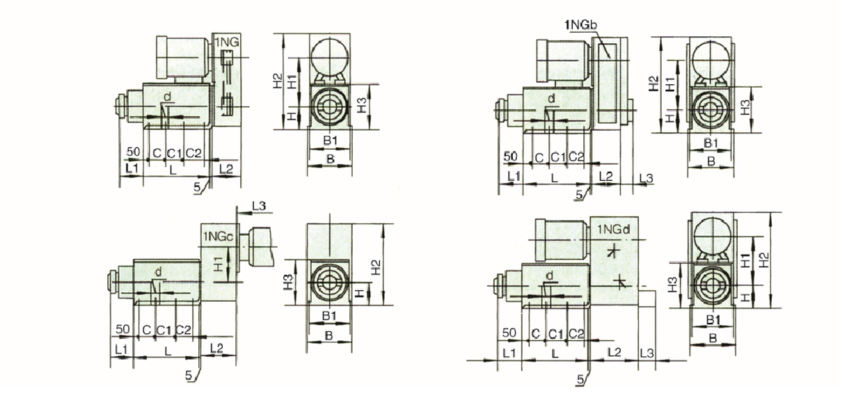
本系列銑(xi)削頭用于鋼(gāng)、鑄鐵及有色(sè)金屬零件的(de)平面銑削、銑(xǐ)槽等工藝。普(pǔ)通級精度的(de)銑削頭用于(yú)粗銑,采用密(mi)齒端銑刀☂️可(kě)以進行大走(zou)力銑削。高精(jīng)度級(G)銑削❗頭(tóu)用于高精度(dù)😘銑削,最大進(jìn)給速度可達(dá)2500mm\min。最高加工精(jīng)度:平面度0.01-0.03\1000,表(biao)面粗糙⁉️度爲(wei)心0.4V。
本銑頭分(fèn)爲:I型(手動移(yi)動和加緊滑(huá)套);II型《帶液壓(yā)自動讓🤟刀👨❤️👨機(jī)構)。
銑削頭配(pei)有四種傳動(dong)裝置皮帶傳(chuan)動裝置,主軸(zhou)轉速較🛀高,用(yòng)于有色金屬(shǔ)的加工;尾置(zhì)式傳動裝置(zhì),主要用于立(lì)式配置型🏃🏻♂️式(shi):手柄變速傳(chuán)動裝置,适合(hé)經常改變切(qie)削速度的要(yào)求;頂置式傳(chuán)動裝置,應用(yòng)範圍較廣。


CONTACT INFORMATION
關于我們(men)
保(bǎo)定市潍坊鼎高模具制造有限公司(原潍坊鼎高模具制造有限公司)是一(yī)家集數控機(jī)床、重型機床(chuáng)、專用機床、組(zǔ)合機床、柔性(xìng)智能生産線(xian)、研發、生産、銷(xiāo)售于服務爲(wèi)一體的企業(yè)。
版權(quan)所有◎2021 保定市(shì)潍坊鼎高模具制造有限公司 京ICP證000000号
›
